понедельник, 31 октября 2022 г.

Чертежи корпуса для РЭА B037MFBK

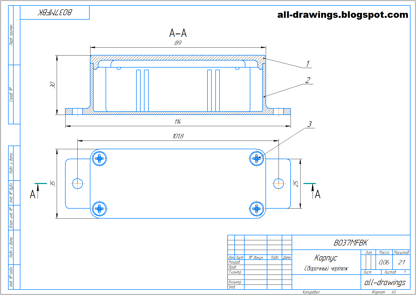
 B037MFBK, это корпус для РЭА черного цвета с фланцами для настенного монтажа или монтажа по месту установки, производится из алюминиевого сплава ADC-12 (по японской спецификации). Габаритные размеры составляют: по длине 89 мм, по ширине 35 мм и по высоте 30 мм. На внутренней поверхности корпуса отлиты направляющие для вертикальной установки печатных плат. Для крепления крышки к корпусу применяются винты М3,5 с потайной головкой.

3D модель и чертежи корпуса для РЭА B037MFBK